![]() |
DDL系列点击次数:3894
发布时间:2018-08-30 17:09:22 |
|---|
.png)


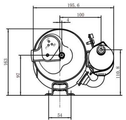
| 机型 | DDL211SV |
| 排量(CC/rev) | 21.1 |
| 电源 | 220~240V/1φ/50Hz |
| 使用冷媒 | R404A |
| 蒸发温度 | -15℃~10℃ |
| 冷凝温度 | 20℃~60℃ |
| 额定电流(A) | 4.8 |
| 额定输入功率(W) | 1050 |
| 额定制冷量(W) | 1750 |
| 额定工况测试条件 | 蒸发温度=-6.5℃ 冷凝温度=54.4℃ 过冷度=8.3K 吸气温度=18.3℃ 环境温度=35℃ |
| 压缩机高度(mm) | 183.9 |
| 压缩机外径(mm) | 129.1 |
| 储液器外径(mm) | 58 |
| 底脚安装尺寸(mm长×宽) | 168×58 |
手机:13548113936 电话:028-84355580
邮件:75319553@qq.com